Quick MTF 2.05 (Shareware 2.13Mb)

Category Graphic Apps::Other

Quick MTF 2.05 (Shareware 2.13Mb)

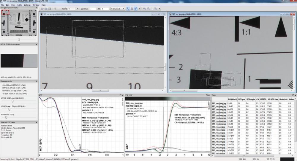
Приложение Quick MTF предназначено для быстрой оценки основных составляющих качества изображений – разрешения, хроматических аберраций и шума. Исходными данными является растровое изображение с выбранной областью интереса. На выходе получаем – функцию профиля кромки, функцию рассеивания линии, функцию передачи модуляции (контраста), уровень хроматических аберраций и значения дисперсии для шума в темной и светлой областях. Измерения разрешения и шума представляются в графическом и числовом виде для красного, зеленого, синего каналов, и канала яркости. Приложение является многодокументным и позволяет очень легко и удобно сравнивать результаты, полученные для нескольких оптических систем или для разных областей интереса. Результаты измерений сводятся в таблицу и могут быть экспортированы в Excel. Для измерений используется методика анализа изображения наклонной кромки(slant-edge measurement technique). Эта методика описана стандартом ISO 12233 и применяется, согласно этому стандарту, в приложении Quick MTF. Приложение не использует никаких дополнительных сторонних компонентов или библиотек, работает очень быстро и точно, отличается дружественным интерфейсом, высокой наглядностью и очень легко осваивается.


Операционная система: Win7 x32, Win7 x64, WinVista, WinVista x64, WinXP
Системные требования: 6.0Mb disk space for install
Языки: English
Скачать: Quick MTF 2.05 (Shareware 2.13Mb)

SoftPUB
  • О сайте

© 2019 |   All Rights Reserved